Vaste schacht-uitvoering
Artikelnummer: 24261-5-14000
Verpakt per: 1 stuk / zakje
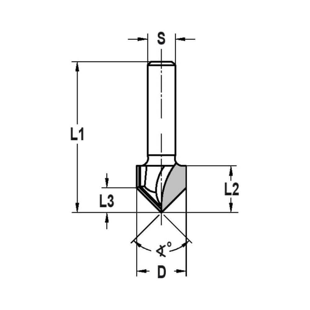
- Hoek = 90°
- Ø (D) = 14 mm
- Snijlengte (L2) = 13,5 mm
- Snijlengte (L3) = 7 mm
- Totale lengte (L1) = 44 mm
- Schacht (S) = 6 mm
- Z=2
- Hardmetaal uitvoering (HW)

PRODUCTOMSCHRIJVING
- Voor het maken van V-groeven of het afschuinen van kanten
- Te gebruiken op o.a. hout, MDF, (geplastificeerd) spaanplaat en andere plaatmaterialen
- Niet geschikt voor gebruik op Trespa® of vergelijkbare materialen
- Controleer altijd uw frees vóórdat u gaat frezen op bijvoorbeeld beschadigingen
- Uw frees dient altijd ver genoeg ingespannen te worden, dit staat aangegeven op de schacht van de frees
- Zorg voor een gelijkmatige doorvoer en het juiste toerental



