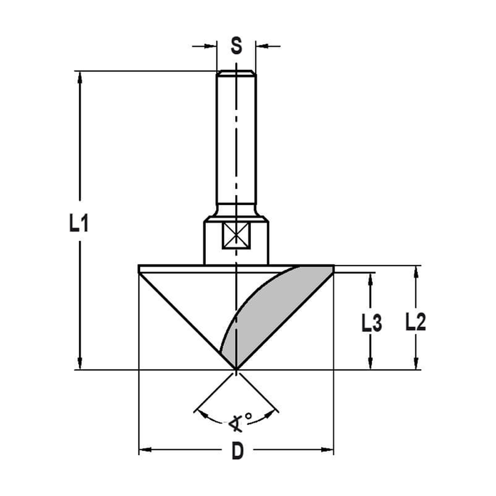
Wisselschacht uitvoering
Artikelnummer: 24265-5-40045
Verpakt per: 1 stuk / zakje
- Hoek = 90°
- Ø (D) = 40 mm
- Snijlengte (L2) = 21,5 mm
- Snijlengte (L3) = 20 mm
- Totale lengte (L1) = 62 mm
- Schacht (S) = 10 mm
- Z=1
- Hardmetaal uitvoering (HW)

PRODUCTOMSCHRIJVING
- Voor het maken van V-groeven of het afschuinen van kanten
- Te gebruiken op o.a. hout, MDF, (geplastificeerd) spaanplaat, Trespa® en andere plaatmaterialen
- Controleer altijd uw frees vóórdat u gaat frezen op bijvoorbeeld beschadigingen
- Uw frees dient altijd ver genoeg ingespannen te worden, dit staat aangegeven op de schacht van de frees
- Zorg voor een gelijkmatige doorvoer en het juiste toerental



